드레인에 대해서 알아보자! [ft. 드레인 상세도]
플로아드레인, 루프드레인

드레인이란
빗물, 오수 등을 배수하기 위해 바닥면이나 골의 배수구에 설치해서
배수관에 접속하는 부품
용도에 따라 발코니, 벽체형, pvc관용, 강관용 루프 등
그 종류가 다양하다.
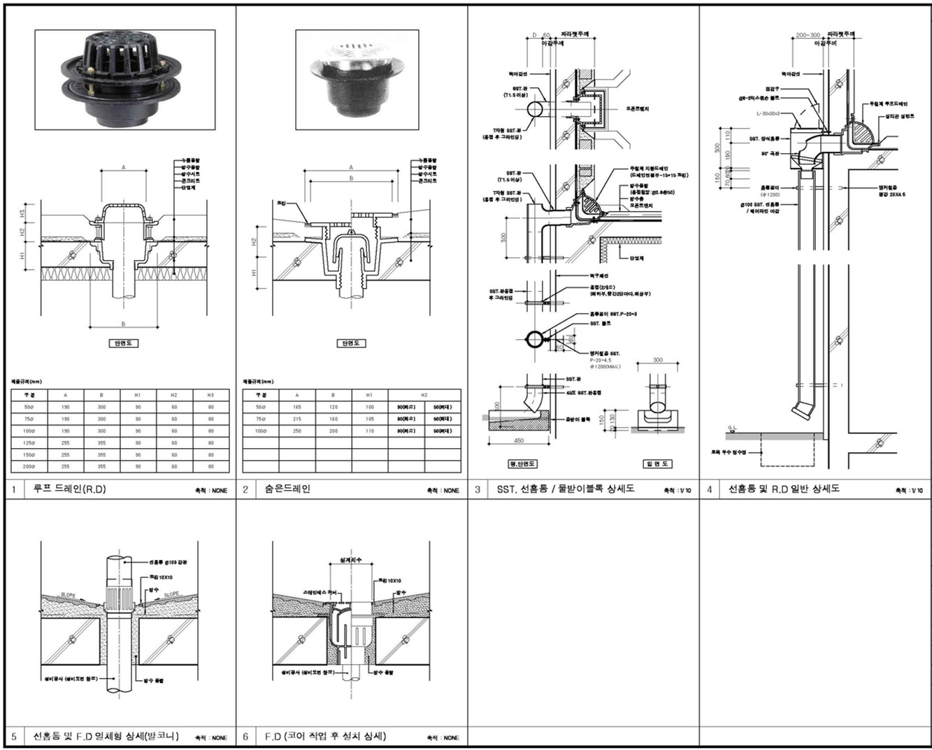
루프드레인(옥상드레인)

SG 500 타입은 Body(주철)와 Dome Grate(망, 주철)로
이루어져 있으며, 이중 Ancher Flange로 높낮이 조절이
가능하며 완벽한 이중 배수구조로 아파트 및 슬라브
건축물에 다양하게 사용 될 수 있도록 제작되어 있으며
마감시 규격이상 이격이 생겼을 경우 연결 조절 소켓을
사용하여 바닥마감 처리를 용이하게 처리할 수 있음

PIPE SIZE / 규격 |
A | B | H1 | H2 | H3 |
| 75Φ | 165 | 210 | 110 | 85 | 160(180) |
| 100Φ | 165 | 210 | 110 | 85 | 160(180) |

SG 630 타입은 Body(주철)와 Dome Grate(망, 주철)로 이루어져 있으며,
이중 Anchor Flange로 높낮이 조절이 가능한 완벽한 방수처리로
많은 건축물에 다양하게 사용됨
| PIPE SIZE / 규격 | A | B | H1 | H2 |
| 50Φ | 260 | 330Φ | 120 | 90 |
| 75Φ | ||||
| 100Φ | ||||
| 125Φ | ||||
| 150Φ | ||||
| 200Φ | 360 | 95 |

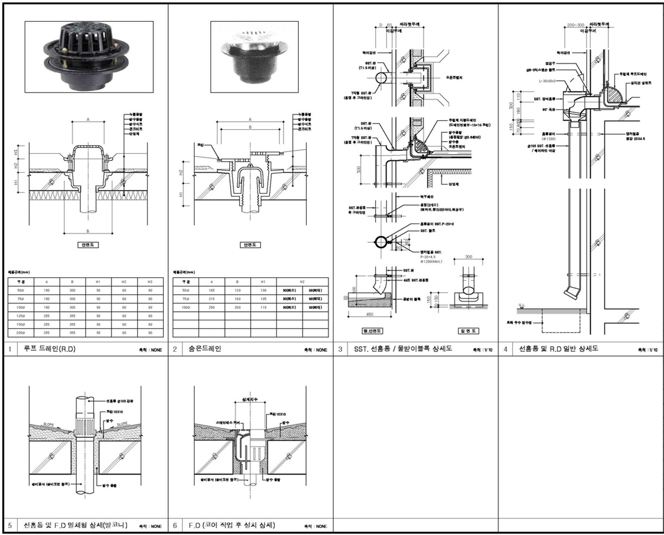
SG 605타입은 Body(주철)와 Dome Grate(SUS 304)
평망(주철제)로 이중망 구조이며, 상부망의 변형 및 부식을
방지할 수 있으며, 몸체(Body)는 PVC받침으로 슬리브판에
고정시켜 PVC관과 연결이 용이하도록 제작됨
| PIPE SIZE / 규격 | A | B | H1 | H2 |
| 75Φ | 165 | 210 | 90 | 50 |
| 100Φ | 165 | 210 | 90 | 50 |

SG635 타입은 주철제로서 Body 부분과 방수 및 단열층 배수링 부분과
단열재 고정및 누름층 배수부분과 Grate(망) 부분으로 이루어진 루프드레인으로
내단열, 외단열 모두 적합한 신제품
| PIPE SIZE / 규격 | A | B | H1 | H2 | H3 |
| 50Φ | 190 | 300 | 90 | 60 | 80 |
| 75Φ | 190 | 300 | 90 | 60 | 80 |
| 100Φ | 190 | 300 | 90 | 60 | 80 |
| 125Φ | 255 | 350 | 90 | 60 | 80 |
| 150Φ | 255 | 350 | 90 | 60 | 80 |
| 200Φ | 255 | 350 | 90 | 60 | 80 |


SG 655타입은 Body(주철제)와 Open Grate(SUS 304)로 되어있어
변형 부식을 방지 할 수 있으며 건축물의 지하 주차장 및
발코니 등에 사용
| PIPE SIZE / 규격 | A | B | H1 | H2 |
| 75Φ | 210 | 175 | 120 | 100 |
| 100Φ | 210 | 175 | 120 | 100 |
| 125Φ | 260 | 225 | 120 | 100 |
| 150Φ | 260 | 225 | 120 | 100 |

SG 665타입은 Body(SUS 304)와 Grate(SUS 304)로 되어있으며
우수한 외벽 설치시 사용
| PIPE SIZE / 규격 | A | H |
| 50Φ | 185 | 130 |
| 75Φ | 215 | 155 |
| 100Φ | 210 | 170 |
| 125Φ | 220 | 190 |
| 150Φ | 230 | 210 |
| 200Φ | 250 | 270 |
플로아드레인(바닥드레인)

SG 특수사각 타입은 이중육가(SG310) Strainer의 기본규격으로
타일 규격 등 시공상의 애로사항을 다각적으로
해결해 줄 수 있어 화장실 및 바닥용으로 가장 널리쓰임
| PIPE SIZE / 규격 | A | B | H1 | H2 | |
| MIN | MAX | ||||
| 50Φ | 170 | 100 x 100 | 45 | 10 | 40 |
| 170 | 150 x 150 | 45 | 10 | 40 | |
| 170 | 200 x 200 | 45 | 10 | 40 | |
| 75Φ | 185 | 125 x 125 | 50 | 10 | 45 |
| 185 | 150 x 150 | 50 | 10 | 45 | |
| 185 | 200 x 200 | 50 | 10 | 45 | |
| 100Φ | 220 | 150 x 150 | 50 | 10 | 45 |
| 220 | 200 x 200 | 50 | 10 | 45 | |
| 125Φ | 240 | 200 x 200 | 60 | 10 | 55 |
| 150Φ | 255 | 200 x 220 | 65 | 10 | 60 |
| 200Φ | 300 | 250 x 250 | 70 | 15 | 65 |

SG 321 타입은 Body(주철)와 상부(SUS 304)로 되어있으며
호텔, 오피스, 빌딩 등 광범위하게 사용
| PIPE SIZE / 규격 | A | B | H1 | H2 |
| 50Φ | 240 | 125 x 125 | 110 | 55 |
| 75Φ | 150 x 150 | |||
| 100Φ | 200 x 200 |

SG 331 타입은 Body(주철제)와 상부(SUS 304)로 되어있으며
이중육가의 역할과 악취를 차단시키는데 탁월하며
화장실, 목욕탕, 공장 등에 널리쓰임
| PIPE SIZE / 규격 |
A |
B |
H1 |
H2 | |
| MIN | MAX | ||||
| 50Φ | 170 | 100 x 100 | 45 | 10 | 40 |
| 75Φ | 185 | 125 x 125 | 50 | 10 | 45 |
| 100Φ | 220 | 150 x 150 | 50 | 10 | 45 |

SG 342 타입은 상하부 스텐재질로 되어있으며
병원, 연구실, 빌딩 등 다각적으로 광범위하게 사용됨
PIPE SIZE / 규격 |
A | B | H1 | H2 | |
| MIN | MAX | ||||
50Φ |
170 | 150 x 150 | 45 | 10 | 40 |
| 170 | 200 x 200 | 45 | 10 | 40 | |
| 75Φ | 185 | 150 x 150 | 50 | 10 | 45 |
| 185 | 200 x 200 | 50 | 10 | 45 | |
| 100Φ |
220 | 150 x 150 | 50 | 10 | 45 |
| 220 | 200 x 200 | 50 | 10 | 45 | |

건축 도면에 나와있는 용어, 약어 설명 [PS, TPS, MDF, D.A, EPS, PIT등]
건축도면에 나와있는 용어설명 건축도면을 보다 보면 구석구석 실마다 대문자 영문이 적혀있는걸 볼 수 있다. 물론 건축하는 사람들이나 인테리어 하는 사람들은 도면을 많이 접하기 때문에 뭔
heng000.com
실내건축재료의 정의와 분류, 특성
실내건축재료를 분류해 보자! 건축물의 실내공간을 생활 목적에 따라 기능성과 쾌적성을 갖추도록 계획 ·설계 ·시공하는데 필요한 재료를 총칭하여 실내건축재료라 할 수 있다. 실내건축재료
heng000.com
목구조 건축물에 대해서...
지붕구조, 마루구조, 목조계단, 판벽 목구조 ◎ 벽 구조 ▶ 기둥 · 통재 기둥: 밑층에서 위층까지 한 개의 부재로 상하층 기둥이 되는 것 · 평 기둥: 한 개 층높이로 세워지는 기둥으로 약 2m 간격
heng000.com
'interior' 카테고리의 다른 글
| 도배공사에 대해서 알아보자! (0) | 2021.10.03 |
|---|---|
| 석공사에 대해서 알아보자! [ft. 벽체, 바닥 대리석 시공법] (0) | 2021.09.30 |
| 고뫄스 방수에 대해서 알아보자! [ft. 몰탈 방수] (0) | 2021.09.29 |
| 무늬목에 대해서 살펴보자! (0) | 2021.09.28 |
| 주방가구 수입 하드웨어 브랜드에 대해서 살펴보자! (0) | 2021.09.21 |
| 방염 페인트, 방염처리 대상 건축물, 관련 시방서 (1) | 2021.09.20 |
| 강화유리 Heat Soak Test (힛속테스트) 자파현상이란? (0) | 2021.09.02 |
| W-STUD 란? 벽체 상세도, 스터드 맞댄이음 보강 연결 (0) | 2021.09.01 |

댓글